重庆市化研院安全技术服务有限责任公司
重庆市化研院安全技术服务有限责任公司(以下简称“安技司”)成立于2014年12月,为重庆市化工研究院有限公司全资子公司,专业从事安全、环保、职业卫生和检测等技术服务。
技术服务
公示公告
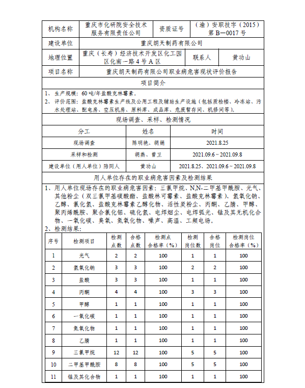
重庆朗天制药有限公司职业病危害现状评价公示表
最新动态